The browser you are using is not supported. Please consider using a modern browser.
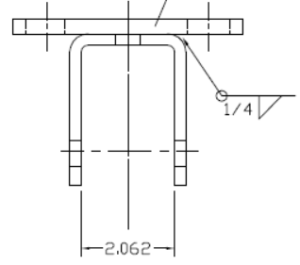
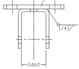
Spring Hanger Independent Bolt-on 2.06" I.D. 5.06" top plt
SKU: 22010About this Product
Heavy duty with 5.06″ top plate. Hot dip galvanized. For 1.75″ wide springs. Bolt size 1/2″.
Categories:





