The browser you are using is not supported. Please consider using a modern browser.
About this Product
LED Clearance Light Amber with connector
Lens for Under 80" Tail Light (45031)
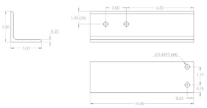
Tail Light Bracket Right 8.50"x2.88"x4.10"