The browser you are using is not supported. Please consider using a modern browser.
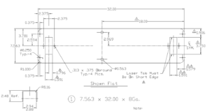
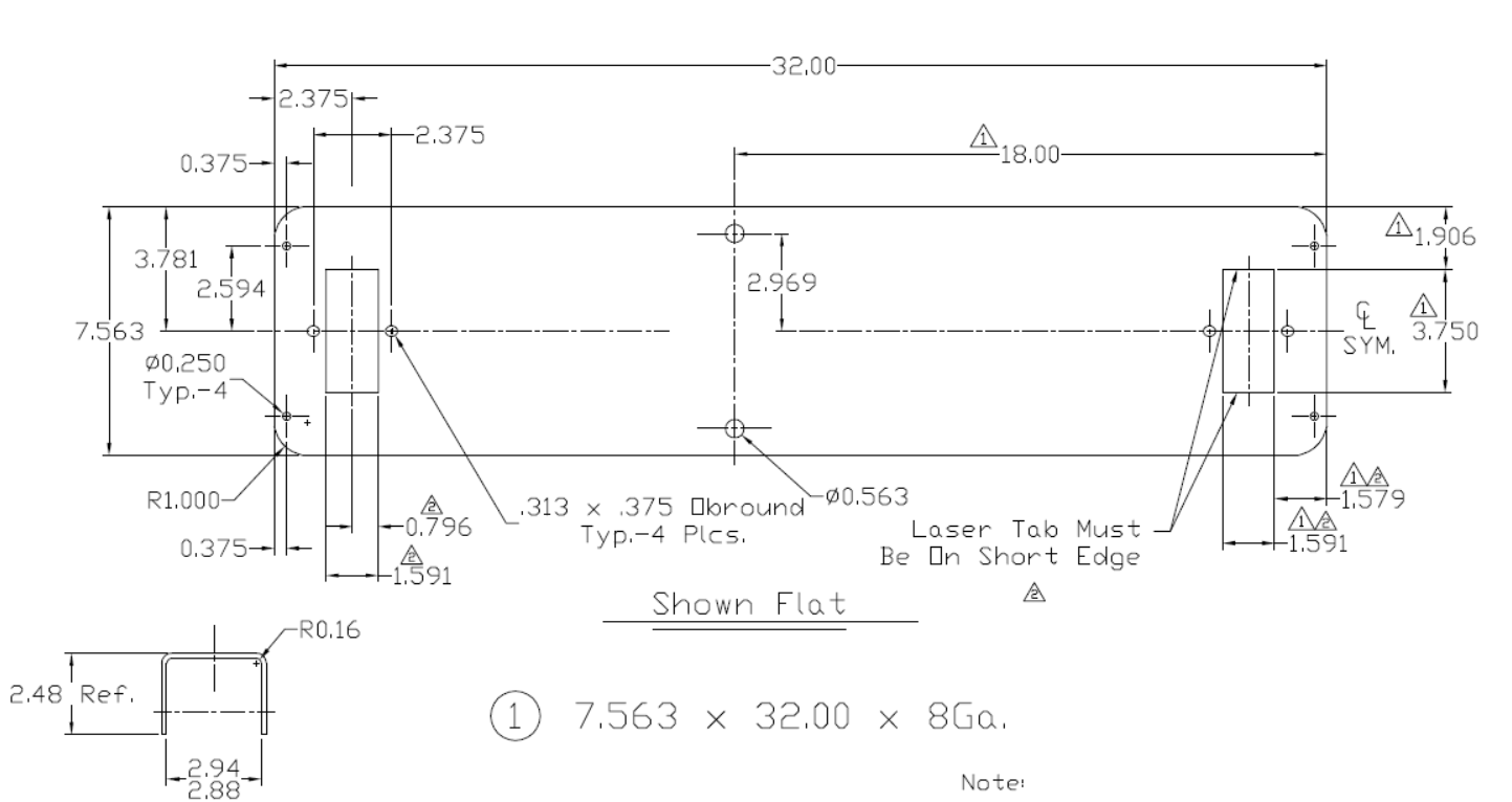
Roller Pivot Channel 32" (2 hole)
SKU: 50001About this Product
Pivot channel was used on older Venture model roller systems. Roller system used pivot slides, roller blocks and 17″ galvanized roller shafts. Pivot channel is 32″ long and 2.88″ wide. See drawing for additional dimensions.
Categories:



