The browser you are using is not supported. Please consider using a modern browser.
$41.44
About this Product
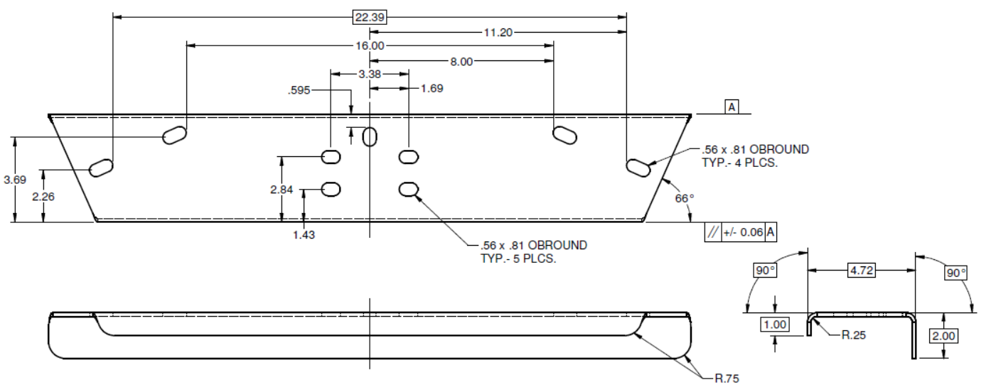
8 ga.
Bracket Tongue/Keel Roller
Tongue jack channel mounting brackets for 4 1/2" aluminum ibeams
Tongue 3x4x72"