The browser you are using is not supported. Please consider using a modern browser.
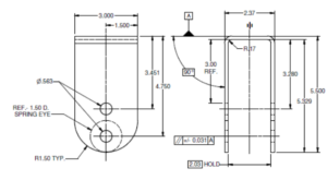
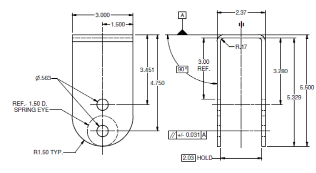
Spring Hanger 2x3 Frame Over 2.03" I.D.
SKU: 22020About this Product
Bolts on over a 2×3 frame. Hot dip galvanized. Dimensions: 5.50″ length, 3″ wide, top of hanger to frame bolt hole 3.45″ to spring hole 4.75″. Used on VB-1500-1550/1800-1850 bolt together design.
Categories:



