The browser you are using is not supported. Please consider using a modern browser.
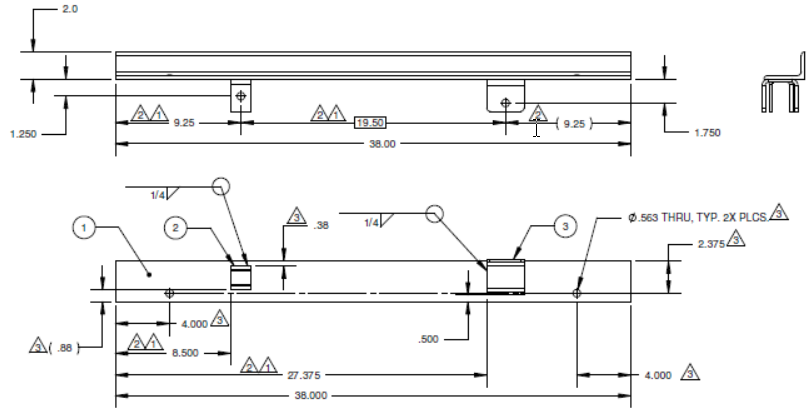
Spring Hanger Single Axle Left for 1.75"w 20"dbl eye springs
SKU: 22050About this Product
Hot dip galvanized. Dimensions: 38″ l x 3″ wx 2″h Bolt size 1/2″.
Categories:





